所屬分類:高壓開關設備
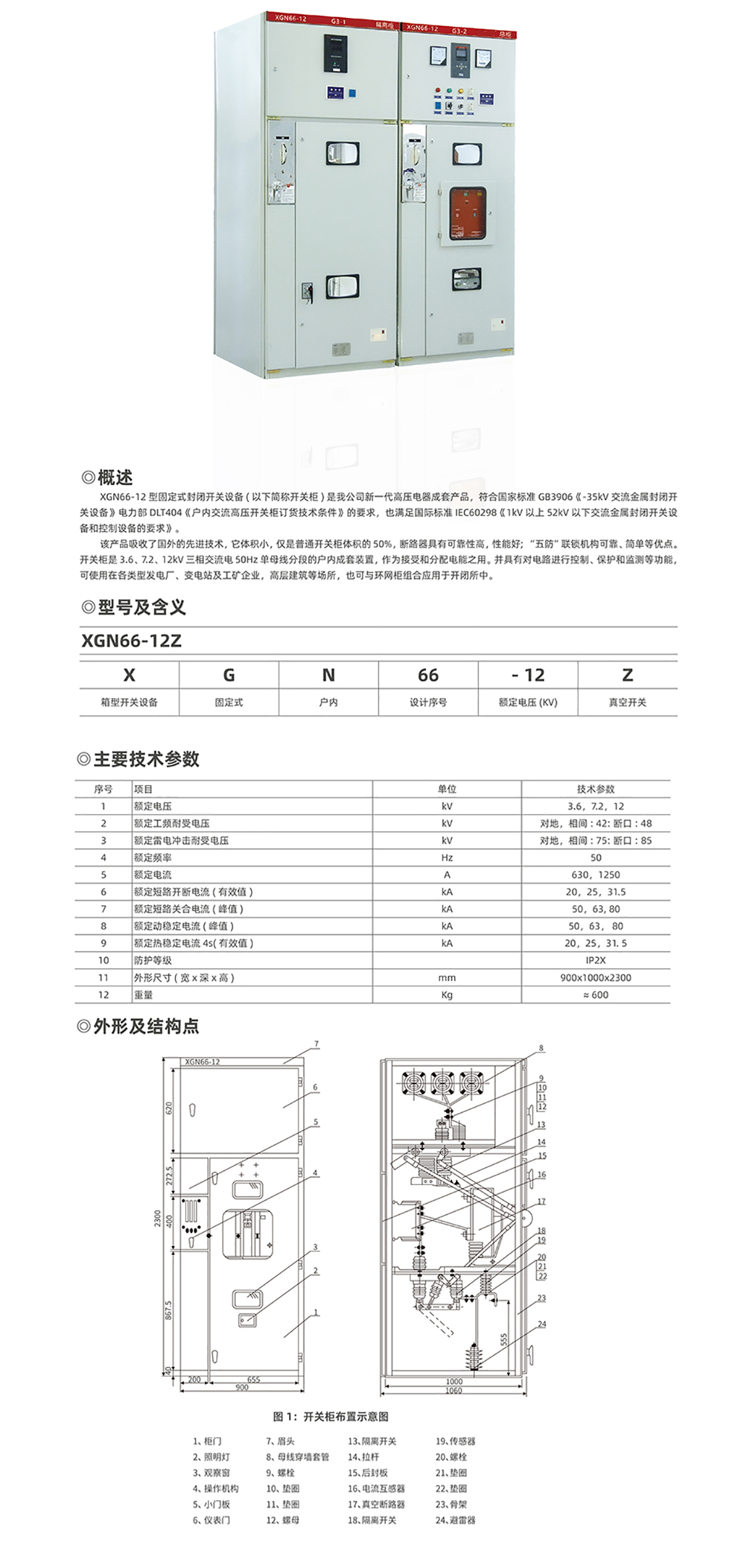
產品描述:XGN66-12型固定式封閉開關設備(以下簡稱開關柜)是我公司新- -代高壓電器成套產品,符合國家標準GB3906《-35kV交流金屬封閉開關設備》電力部DLT404《戶內交流高壓開關柜訂貨技術條件》的要求,也滿足國際標準IEC60298《1kV以上52kV以下交流金屬封閉開關設備和控制設備的要求》。該產品吸收了國外的先進技術,它體積小,僅是普通開關柜體積的50%,斷路器具有可靠性高,性能好;“五防”聯鎖機構可靠、簡單等優點。開關柜是3.6. 7.2. 12kV三相交流電50Hz單母線分段的戶內成套裝置,作為接受和分配電能之用。并具有對電路進行控制、保護和監測等功能,可使用在各類型發電廠、變電站及工礦企業,高層建筑等場所,也可與環網柜組合應用于開閉所中。
